Цель работы: Изучить параметры, определяющие опасность поражения человека электрическим током.
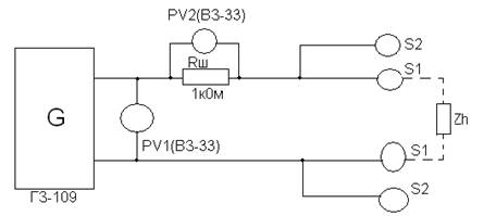
Рис 1. Электрическая схема лабораторной установки.
G- генератор сигналов низкочастотный типа ГЗ-109
PV1- милливольтметр типа ВЗ-33
PV2- милливольтметр типа ВЗ-14
S1- диски- электроды площадью 12,0 кв.см.
S2- диски- электроды площадью 7,0 кв.см.
- резистор- шунт с сопротивлением
=1 кОм
- условное сопротивление тела человека, касающегося руками электродов
Таблица 1. Влияние частоты тока и площадь электродов на
величину электрического сопротивления тела человека.
|
Частота тока |
Площадь электродов S=12 см.кв. |
Площадь электродов S=7 см.кв. | |||||||
|
f,Гц |
Lg f |
В |
mB |
Ih mA |
Zh Om |
B |
mB |
mA |
Om |
|
20 |
1.3 |
5 |
120 |
0.12 |
41666.67 |
5 |
120 |
0.12 |
41666.67 |
|
30 |
1.5 |
5 |
180 |
0.18 |
27777.78 |
5 |
140 |
0.14 |
35714.29 |
|
40 |
1.6 |
5 |
210 |
0.21 |
23809.52 |
5 |
160 |
0.16 |
31250 |
|
50 |
1.7 |
5 |
280 |
0.28 |
17857.14 |
5 |
160 |
0.16 |
31250 |
|
60 |
1.8 |
5 |
300 |
0.3 |
16666.67 |
5 |
160 |
0.16 |
31250 |
|
80 |
1.9 |
5 |
300 |
0.3 |
16666.67 |
5 |
180 |
0.18 |
27777.78 |
|
100 |
2.0 |
5 |
310 |
0.31 |
16129.03 |
5 |
200 |
0.2 |
25000 |
|
150 |
2.2 |
5 |
380 |
0.38 |
13157.89 |
5 |
230 |
0.23 |
21739.13 |
|
200 |
2.3 |
5 |
440 |
0.44 |
11363.64 |
5 |
280 |
0.28 |
17857.14 |
|
250 |
2.4 |
5 |
520 |
0.52 |
9615.38 |
5 |
300 |
0.3 |
16666.67 |
|
500 |
2.7 |
5 |
820 |
0.82 |
6097.56 |
5 |
520 |
0.52 |
9615.38 |
|
750 |
2.85 |
5 |
980 |
0.98 |
5102.04 |
5 |
710 |
0.71 |
7042.25 |
|
1000 |
3.0 |
4 |
920 |
0.92 |
4347.83 |
4 |
710 |
0.71 |
5633.8 |
|
2000 |
3.4 |
2 |
690 |
0.69 |
2898.55 |
2 |
560 |
0.56 |
3571.43 |
|
2500 |
3.4 |
2 |
750 |
0.75 |
2666.67 |
2 |
680 |
0.68 |
2941.18 |
|
5000 |
3.7 |
2 |
940 |
0.94 |
2127.66 |
2 |
880 |
0.88 |
2272.73 |
|
10000 |
4.0 |
2 |
1000 |
1 |
2000 |
2 |
1000 |
1 |
2000 |
|
20000 |
4.3 |
2 |
1050 |
1.05 |
1904.76 |
2 |
1050 |
1.05 |
1904.76 |
