Чувствительность. Чувствительностью РЗ является ее способность реагировать на самые малые изменения контролируемого параметра (как правило, тока КЗ и перегрузки) и анормальные режимы работы ЗУ.
Чувствительность характеризует устойчивое срабатывание РЗ при КЗ в защищаемой зоне. Удовлетворение требований чувствительности в современных СЭС встречает определенные затруднения, так как при передаче и распределении больших мощностей на большие расстояния токи КЗ в устройствах защиты могут стать соизмеримыми с максимальными рабочими токами сетей вследствие значительных переходных сопротивлений. Это приводит к невозможности применения простых видов защит и к необходимости переходить на сложные и дорогие защитные устройства.
Надежность работы РЗ заключается в ее правильном и безотказном действии во всех предусмотренных по ее назначению случаях. Надежность обеспечивается применением высококачественных реле, простых и совершенных схем РЗ, тщательным выполнением монтажных работ, должной культурой эксплуатации защитных устройств
В устройствах РЗ применяют различные реле, отличающиеся по принципу действия: электрические, механические, тепловые, полупроводниковые. Электрические реле реагируют на электрические величины: ток, напряжение, мощность, частоту, сопротивление, угол сдвига между током и напряжением, угол между двумя токами и двумя напряжениями. Механические реле реагируют на неэлектрические величины: давление, уровень жидкости и т. п.
По способу включения реле различают первичные, включаемые непосредственно в схему защищаемого элемента цепи, и вторичные, присоединяемые к защищаемому элементу через трансформаторы тока напряжения. По способу воздействия исполнительного органа на выключатель цепи – реле прямого и косвенного действия. Электрические реле имеют орган, воспринимающий изменение контролируемой величины (как правило, катушка реле), и орган исполнительный, отключающий выключатели, подающий предупредительный сигнал или замыкающий цепи других реле (как правило, якорь электромагнита и контакты). Некоторые реле имеют орган замедления (выдержки времени). По принципу воздействия на управляемую цепь реле делятся на контактные и бесконтактные полупроводниковые. По характеру изменения контролируемой величины реле разделяют на максимальные, срабатывающие при превышении заданного уровня контролируемой величины; минимальные – при уменьшении ниже заданного уровня контролируемой величины и дифференциальные, орган замера которых реагирует на разность измеряемых электрических величин.
Защита силовых трансформаторов. Выбор защиты трансформаторов зависит от мощности, назначения, места установки и эксплуатационного режима трансформаторов.
Для защиты трансформаторов при их повреждении и сигнализации о нарушениях нормальных режимов работы могут применяться следующие типы защит: ДТЗ, МТЗ, ТО, газовая защита, защита предохранителями.
В качестве основной защиты от повреждений на выводах и внутренних повреждений трансформатора при его мощности 6300 кВ‑А и выше, как правило, применяется ДТЗ.
В схеме ДТЗ коэффициент чувствительности долженбыть не менее 1,5. Если это требование не удовлетворяется, то для защиты силовых трансформаторов вместодифференциальных реле РНТ‑565 и РНТ‑566 применяетсядифференциальная токовая защита (ДТЗ) с торможением.
В данном курсовом проекте релейная защита трансформатора предусматривается высоковольтным предохранителем типа ПК.
Высоковольтные предохранители при установке на них соответствующих плавких вставок обеспечивают защиту трансформатора от внутренних повреждений и межфазных коротких замыканиях на выводах.
Защиту от однофазных замыканий на землю осуществляют автоматическим выключателем с максимальным расцепителем, установленным на стороне низкого напряжения или трансформатора тока ТА на нулевом проводе при прямом присоединении трансформатора с глухозаземленной нейтралью к шинопроводу.
Учет и контроль электроэнергии
Расчетным учетом электроэнергии называется учет выработанной, а также отпущенной потребителям электроэнергии для денежного расчета за нее. Счетчики, устанавливаемые для расчетного учета, называются расчетными счетчиками (класса 2), с классом точности измерительных трансформаторов – 0,5.
Техническим (контрольным) учетом электроэнергии называется учет для контроля расхода электроэнергии электростанций, подстанций, предприятий, зданий. Счетчики, устанавливаемые для технического учета, называются контрольными счетчиками (класса 2,5) с классом точности измерительных трансформаторов – 1.
При определении активной энергии необходимо учитывать энергию: выработанную генераторами электростанций; потребленную на собственные нужды электростанций и подстанций; выданную электростанциями в распределительные сети; переданную в другие энергосистемы или полученную от них; отпущенную потребителям и подлежащую оплате.
Расчетные счетчики активной электроэнергии на подстанции энергосистемы должны устанавливаться:
1) для каждой отходящей линии электропередачи, принадлежащей потребителям;
2) для межсистемных линий электропередачи–по два счетчика со стопорами, учитывающих полученную и отпущенную электроэнергии;
3) на трансформаторах собственных нужд;
4) для линий хозяйственных нужд или посторонних потребителей (поселок и т. п.), присоединенных к шинам собственных нужд.
Расчетные счетчики активной электроэнергии на подстанциях потребителей должны устанавливаться:
1) на вводе (приемном конце) линии электропередачи в подстанцию;
2) на стороне ВН трансформаторов при наличии электрической связи с другой подстанцией энергосистемы;
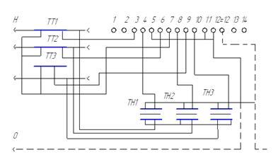
Схема подключения счетчиков типа ПСЧ‑4 к трехфазной сети.
 
 
Рисунок 2,4 Подключение счетчиков к трехфазной сети с помощью трех трансформаторов тока и трех трансформаторов напряжения (пунктиром показано цепь «0» для четырехпроводной сети.)
Счетчик электрической энергии статический, трехфазной, трехтрансформаторный, универсальный ПСЧ‑4. Предназначен для учета прихода и расхода активной энергии в трех- и четырехпроводных сетях переменного тока номинальной частоты 50Гц, а также для передачи по линиям связи информационных данных на центральный пункт сбора информации энергосистемы.
Счетчик обеспечивает высокую точность измерения энергии в сетях со значительными отклонениями тока и напряжения.
При подаче сетевого напряжения и помещениях нагрузки, световой индуктор режима работы счетчика должен менять показания пропорционально величине потребляемой электрической энергии.
В курсовом проекте предполагается коммерческий учет активной энергии. Счетчик ПСЧ‑4 устанавливают на линии отходящих от трансформаторной подстанции напряжением 0,38 кВ и питающей отдельные участки цеха.
Расчет защитного заземления
Защитное заземление – заземление частей электроустановки с целью обеспечения электробезопасности.
Зона растекания – область земли, в пределах (зоны растекания) который возникает заметный градиент потенциала при стекание тока с заземлителя.

 Скачать реферат
 Скачать реферат